درباره admin

This author has not yet filled in any details.
So far admin has created 612 blog entries.

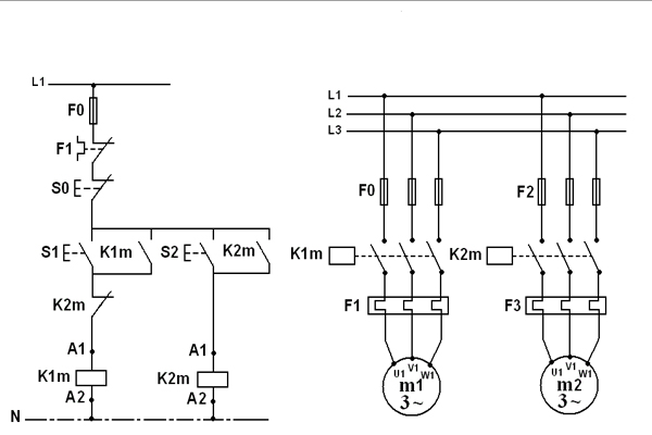
راه اندازی دو موتور پشت سرهم

 فرض کنیم دو موتور برای راه اندازی یک فرآیند مورد نیاز است که اینها باید به صورتی راه اندازی شوند که ابتدا موتور اول و پس از گذشتن یک مدت معین موتور دوم وارد پروسه شود. از طرفی ادوات مورد نیاز برای راه اندازی این فرآیند به سبب محدودیت فضا و محدودیت اقتصادی نباید خیلی زیاد شوند. برای رسیدن به این مقصود از روش گفته شده در این مبحث استفاده میشود. این روش این امکان را فراهم میکند تا تنها استارت اولیه توسط اپراتور انجام شود و سپس روشن شدن موتور دوم به صورت اتوماتیک انجام شود. در اين مقاله شكل مدار قدرت و فرمان راه اندازی به این روش آورده شده است. این مدار از جمله سرفصل های دوره آموزش تابلو برق صنعتی می باشد.

1401-10-20T13:07:04+03:30آموزش|دیدگاه‌ها برای راه اندازی دو موتور پشت سرهم بسته هستند

کاربرد موتور تکفاز

موتور های تک فاز برای استفاده در مصارف خانگی به وجود آمدند. این موتور ها بسیار کاربردی بوده و برای راه اندازی تنها به یک فاز و یک نول نیاز دارند. بزرگ ترین عیب این موتور ها این است که خود راه انداز نیستند. یعنی در لحظه استارت گشتاور راه اندازی ندارند. بنابراین برای راه اندازی آنها به یک راه انداز کمکی نیاز است. این راه انداز کمکی می تواند انواع مختلفی داشته باشد که در زیر به نوع فاز شکسته، خازن موقت و خازن دائم اشاره شده است و در ادامه توضیحات هر یک به همراه شکل آورده شده است.

1401-10-20T13:07:37+03:30دانستنیها|دیدگاه‌ها برای کاربرد موتور تکفاز بسته هستند

مدار الکتریکی فتوسل

از جمله موارد کاربرد مدار الکتریکی فتوسل می توان به خاموش و یا روشن کردن مجموعه ای از لامپ های معابر و یا باغ های بزرگ و یا … .اشاره نمود مزیت بزرگ این کاربرد به نوعی اتوماتیک شدن آنها با توجه به وجود یا عدم وجود نور خورشید می باشد و در نتیجه می توان انتظار داشت مصرف برق به علت اتوماتیک شدن قطع و وصل لامپ ها به شدت کاهش یافته و از نظر اقتصادی خیلی به صرفه است.

1401-10-20T13:08:09+03:30دانستنیها|دیدگاه‌ها برای مدار الکتریکی فتوسل بسته هستند

5 ترفند مبتدی فتوشاپ

آیا می دانید سال 2016  معجزه فتوشاپ به زندگی ما رسیده است. حتی اگر هرگز از این برنامه استفاده نکرده اید ، نمی توانید تأثیر این نرم افزار ویرایش عکس بر زندگی ما را انکار کنید. از این گذشته ، اصطلاح Photoshop چنان در زندگی دیجیتالی ما گنجانیده شده است که ما حتی آن را به یک فعل تبدیل کرده ایم تا همه عکس های تغییر یافته را توصیف کنیم ... حتی اگر نتیجه در بعضی مواقع کمی مضحک باشد.

1401-10-20T13:08:36+03:30آموزش فتوشاپ|دیدگاه‌ها برای 5 ترفند مبتدی فتوشاپ بسته هستند

مبدل های الکتریکی

الکترونیک قدرت شاخه ای از الکترونیک صنعتی است. الکترونیک قدرت مبحثی است متشکل از مهندسی الکترونیک و مهندسی قدرت که در آن عملکرد الکترونیک حالت جامد برای کنترل و تبدیل توان الکتریکی بررسی می گردد. به عبارت دیگر الکترونیک قدرت به بررسی استفاده از نیمه هادی ها در قدرت می پردازد.

1401-10-20T13:09:31+03:30آموزش|دیدگاه‌ها برای مبدل های الکتریکی بسته هستند

روش های کنترل انرژی

این جزوه الزامات عمومی OSHA برای کنترل انرژی خطرناک هنگام سرویس یا نگهداری ماشین ها یا تجهیزات را ارائه می دهد. و استانداردهای OSHA را در رابطه با کنترل انرژی خطرناک جایگزین یا مکمل کند. پس از خواندن این جزوه ، از کارفرمایان و سایر علاقه مندان خواسته شده است تا استانداردهای OSHA در مورد کنترل انرژی خطرناک را بررسی کنند تا درک کاملی از الزامات کنترل انرژی خطرناک داشته باشند. 

1401-10-20T13:12:04+03:30دانستنیها|دیدگاه‌ها برای روش های کنترل انرژی بسته هستند

ایده های استفاده انرژی تجدید پذیر

تامین انرژی همواره یكي از نیازهای مهم بشر در طول تاریخ بوده است. انسان ها در ابتدا با استفاده از گیاهان، حیوانات و حتي فراورده های به دست آمده از آن ها مانند روغن نهنگ برای تامین انرژی، روشن کردن آتش و تولیدگرما استفاده مي نمودند. این موارد معمولا دارای مشكلاتي نظیر انرژی اندک، عدم دسترسي آسان و محدود بودن در محیط اطراف زندگي انسان ها بودند.

1401-10-20T13:12:27+03:30آموزش|دیدگاه‌ها برای ایده های استفاده انرژی تجدید پذیر بسته هستند