راه اندازی دو موتور به صورت یکی پس از دیگری، اتوماتیک
فرض کنیم دو موتور برای راه اندازی یک فرآیند مورد نیاز است که اینها باید به صورتی راه اندازی شوند که ابتدا موتور اول و پس از گذشتن یک مدت معین موتور دوم وارد پروسه شود. از طرفی ادوات مورد نیاز برای راه اندازی این فرآیند به سبب محدودیت فضا و محدودیت اقتصادی نباید خیلی زیاد شوند. برای رسیدن به این مقصود از روش گفته شده در این مبحث استفاده میشود. این روش این امکان را فراهم میکند تا تنها استارت اولیه توسط اپراتور انجام شود و سپس روشن شدن موتور دوم به صورت اتوماتیک انجام شود. در ادامه شکل مدار قدرت و فرمان راه اندازی به این روش آورده شده است. این مدار از جمله سرفصل های دوره آموزش تابلو برق صنعتی می باشد.
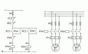
نحوه عملکرد مدار فرمان و قدرت راه اندازی دو موتور به صورت یکی پس از دیگری، اتوماتیک
ادوات به کار رفته در مدار قدرت و فرمان در این روش شامل دو عدد کنتاکتور، یک عدد رله تاخیر زمانی (تایمر)، یک کلید شستی استاپ و یک کلید شستی استارت می شود. اتصال کنتاکتور ها به گونه ای است که هرکدام وظیفه تغذیه یکی از موتور ها را بر عهده دارند. کلید شستی استاپ s1 وظیفه قطع مدار در هر لحظه از زمان را دارد. برای راه اندازی موتور ها به صورت یکی پس از دیگری باید کلید شستی استارت s2 را فشرد. با فشردن این شستی پایه A1 کنتاکتور k1 برق دار شده و موتور اول روشن میشود. با بسته شدن تیغه های 13,14 کنتاکتور k1 جریان تحریک تایمر k3 تامین شده و تایمر شروع به زمان گیری می کند، پس از گذشتن مدت زمان تعیین شده تیغه 13,14 تایمر بسته شده و پایه A1 کنتاکتور k2 برق دار میشود. در این حین موتور دوم شروع به کار کرده و با باز شدن تیغه های 21,22 کنتاکتور k2 جریان تحریک تایمر k3 قطع شده و تایمر خاموش می شود.
کاربرد راه اندازی دو موتور به صورت یکی پس از دیگری اتوماتیک
در برخی از مواقع لازم است تا فرآیند ابتدا با توان کمتری راه اندازی شود و پس از گذشت مدت زمانی معین فرآیند با قدرت کامل خود به کارش ادامه داهد، در این گونه موارد به راه اندازی به شیوه یکی پس از دیگری به صورت اتوماتیک نیاز پیدا خواهد شد.

راه اندازی دو موتور پشت سرهم
